Questão
Universidade do Estado do Mato Grosso - UNEMAT
2008
Fase Única
VER HISTÓRICO DE RESPOSTAS
4000048928
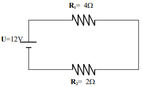
Considere o circuito elétrico abaixo.
Assinale a alternativa INCORRETA.
A
A resistência equivalente à associação é de 6Ω.
B
A potência dissipada pela associação é de 24 Watts.
C
A ddp (diferença de potencial) em Rₗ é menor que a ddp em R₂ .
D
As resistências elétricas Rₗ e R₂ serão percorridas pela mesma corrente elétrica, cujo valor é de 2 A .
E
A potência dissipada no resistor Rₗ é maior que a potência dissipada em R₂.
Responder
Ver solução e comentários